

LDP型电动单梁起重机
产品型号: LDP型
起升吨位: 3~10吨
起升高度: 6、9、12米
适用跨度: 7.5-22.5米
工作级别: A3、A4
LDP型电动单梁起重机产品介绍:
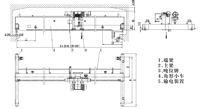
LDP型偏挂低净空电动单梁起重机属于超低净空轻小型起重机,电动葫芦位于主梁一侧,增加了吊钩的服务空间,可以降低厂房高度和造价。该产品因具有小车轮距大、运行平稳、结构紧凑、刚性好、操作灵敏、噪音低、安*、造型美观等优点,广泛应用于工作环境温度在-20℃~+40℃,车间厂房净空高度又较低的场所。其额定载荷3t~10t,跨度7.5m~22.5m,工作级别A3、A4。
LDP 型电动单梁起重机是按GB/T 3811-2008、JB/T 1306-2008 标准设计制造的,与CD1、MD1 电动葫芦配套使用的轻型起重设备。操作方式主要是地面操纵方式(地操、遥控操作、地+遥操作)。如果有跨度和起升高度超出样本中所列的范围,我们还可以根据用户需求进行非标设计。
LDP型电动单梁起重机产品概述:
1、LDP型电动单梁起重机属于超低净空轻小型起重机,主梁通常采用箱型梁结构,电动葫芦偏挂于主梁一侧,增加了吊钩的服务空间,可以降低厂房高度与造价。
2、LDP型电动单梁起重机具有小车轮距大、运行平稳、结构紧凑、刚性好、操作灵敏、噪音低、安*、造型美观等优点,广泛用于工作环境温度在-25-40℃,车间厂房净空高度又较低的场所。
3、LDP型电动单梁起重机整机与CD、MD型电动葫芦配套使用,其额定载荷3t-10t,跨度7.5m-22.5m,工作级别为A3、A4,起升高度6-12m,操作方式主要是地面操纵方式(地操、遥控操作、地+遥操作)。
4、LDP型电动单梁起重机通常采用锥形制动电机作为起升和运行使用,减速装置采用齿轮减速传动;整机设有起升、下降限位开关、大车行程开关,手柄按钮、超载限制器等配套件。
5、LDP型电动单梁起重机广泛用于工厂、仓库、料场等不同场合吊运货物,禁止在易燃、易爆、腐蚀性介质环境中使用。
6、公司可根据用户需求进行非标设计。



plant and equipment
Related products
18568169992
扫一扫 关注我们